销售热线
021-66119973
13818263218
- 产品中心
-

对夹蝶型止回阀 上海对夹蝶型止回阀,湖南对夹蝶型止回阀,天津对夹蝶型止回阀,甘肃对夹蝶型止回阀,四川对夹蝶型止回阀,成都对夹蝶型止回阀,江西对夹蝶型止回阀,辽宁对夹蝶型止回阀,成都对夹蝶型止回阀,河南对夹蝶型止回阀,河北对夹蝶型止回阀,江苏对夹蝶型止回阀,广西对夹蝶型止回阀,广东对夹蝶型止回阀...... 详细说明
对夹蝶型止回阀
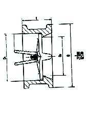
概述:
本厂生产的H76X型对夹式止回阀由阀体、阀瓣、阀杆及弹簧等零件组成,采用对夹连接。由于阀瓣的关闭行程短,并且有弹簧加载,可显著减少水锤现象。该阀主要适用于城市、工业及高层建筑给水、排水管网上。由于其结构长度比一般止回阀短,对有安装空间限制的场所最为适用。

主要零部件材料:
零件名称
阀体 阀瓣 阀杆 弹簧 阀座 材 料 铸铁、铸钢
碳钢 不锈钢 不锈钢 丁腈 橡胶 主要技术参数:
型 号 公 称 压 力 PN(MPa) 强度试验压力(MPa) 密封试验压力(MPa) 适用 温度 适用 介质 H76X-10 1.0 1.5 1.1 ≤80℃ 清水
污水
H76X-16 1.6 2.4 1.76 主要外形尺寸:
公称通径 DN(mm) L(mm) H(mm) D(mm) 1.0MPa 1.6MPa 50 43 60 105 105 65 46 73 124 124 80 64 89 142 142 100 64 110 162 162 125 70 141 192 192 150 76 168 218 218 200 89 219 272 273 250 114 273 328 328 300 114 324 378 384 公称通径 DN(mm) L(mm) H(mm) D(mm) 1.0MPa 1.6MPa 350 127 356 438 444 400 140 418 489 495 450 152 457 540 555 500 152 526 594 616 600 178 626 695 734 700 229 672 810 804 800 241 778 916 910 900 241 878 1016 1010 1000 300 914 1124 1128 相关产品
