销售热线
021-66119973
13818263218
- 产品中心
-

对夹式蝶形止回阀 上海对夹式蝶形止回阀,甘肃对夹式蝶形止回阀,辽宁对夹式蝶形止回阀,湖南对夹式蝶形止回阀,湖北对夹式蝶形止回阀,河南对夹式蝶形止回阀,四川对夹式蝶形止回阀,江苏对夹式蝶形止回阀,成都对夹式蝶形止回阀,河南对夹式蝶形止回阀,河北对夹式蝶形止回阀.... 详细说明
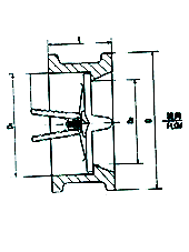
对夹式蝶形止回阀
概述:
止回阀安装在管路系统,其主要作用是防止介质倒流,止回阀是一种依靠介质压力开启和关闭的自动阀门。以往国内普遍采用的是H44型法兰连接旋启式止回阀和H41型法兰连接升降式止回阀,这种传统的止回阀体积笨大,流体阻力大,阀门关闭时水锤压力高,安装、维修难,使用寿命短。
我公司针对传统结构止回阀存在的问题,以美国API标准和德国DIN标准为依据,结合我公司多年来在阀门试验研究、开发设计、加工制造等方面的丰富经验,研制开发了H76型对夹双瓣旋启式止回阀和H71型对夹式升降式止回阀系列产品,经石化、冶金、电力、轻工、食品等行业的企业和设备配套厂家的多年使用,效果良好,深受用户好评。

结构特点:
1、结构长度短,其结构长度只有传统法兰止回阀的1/4~1/8;
2、体积小、重量轻,其重量只有传统法兰止回阀的1/4~1/20;
3、阀瓣关闭快速,水锤压力小;
4、水平管道或垂直管道均可使用,安装方便;
5、流道通畅、流体阻力小;
6、动作灵敏、密封性能好;
7、阀瓣行程短、关阀冲击力小;
8、整体结构、简单紧凑、造型美观;
9、使用寿命长、可靠性高。旋启式止回阀特性对比:
结构
形式H76型对夹式双瓣旋启式止回阀 H44型法兰单瓣旋启式止回阀 水锤
压力水,阀瓣行程短、且有弹簧辅助关闭、关阀速度快 很大,阀瓣行程长,需要较长的关闭时间 H76型的水锤压力只有H44型的1/2~1/5 尺寸
重量结构长度很短、体积小、重量轻。
为阀门的安装、搬运、存放及管道的布置带来很大的便利,并能大量节约材料、降低造价结构长度很长,体积笨大,重量很重 H76型的结构长度只有H44型的1/4~1/6,H76型的重量只有H44型的1/4~1/10 流体
阻力小,流体阻力系数ξ为2.6~0.7。
随着阀门口径的增大,流体阻力系数减小。小,流体阻力系数ξ为1.3~3,
但低压工况下,阀瓣不能完全开启,流体阻力大。
流体阻力随着阀门口径的增大而增大。安装 可水平安装或垂直安装,重量轻,不必为阀门设置支座。 可水平安装或垂直安装,
大口径阀门重量重,需设置支座开启
压力很小,阀瓣在很小的压差下就能完全打开 较大,阀瓣在较大的压差下才能完全打开 可靠性 阀门为整体结构,简单紧凑。
阀门关闭时冲击力小,水锤压力小,阀门寿命长,可靠性高。阀门关闭时的巨大冲击力及水锤压力容易损坏阀门 

公称压力 PN1.0MPa 、 PN1.6MPa、 PN2.5MPa、 PN4.0MPa、 PN6.4MPa 、 PN10.0MPa 型号 H76H-C H76W-P H76W-P8 H76W-P3 H76W-R H76W-R8 H76W-R3 主要
零件
材料阀 体 WCB(A105) ZG1Cr18Ni9Ti CF8(304) CF8(304L) ZG1Cr18Ni12Mo2Ti CF8M(316) CF3M(316L) 阀 瓣 CF8 CF8 CF8 CF3 CF8M CF8M CF3M 阀 轴 2Cr13 1Cr18Ni9Ti 0Cr18Ni9 00Cr19Ni10 1Cr18Ni12Mo2Ti 0Cr17Ni12Mo2 00Cr17Ni14Mo2 弹 簧 0Cr18Ni9 0Cr18Ni9 0Cr18Ni9 00Cr19Ni10 0Cr17Ni12Mo2 0Cr17Ni12Mo2 00Cr17Ni14Mo2 适用
工况适用介质 水、
蒸汽、
油品等硝酸等腐蚀性介质 强氧化性
介质醋酸等腐蚀性介质 尿素等
腐蚀性介质适用温度(℃) -29~425 -196~540 -196~425 -196~540 -196~455 主要外形尺寸:
压力级 口径 尺寸(mm) 重量(kg) 配管法兰(供参考)
NPS DN L D D 3 D 2 螺栓孔中
心圆直径 D 1螺栓数量 螺栓直径d 螺栓长度 L 1 in mm RF RJ Class 150
PN2.0MPa2 50 60 103 56 51 2 120.5 4 5/8 M16 140 155 2 1 /2 65 67 122 73 65 3 139.5 4 5/8 M16 150 165 3 80 73 135 88 80 4 152.5 4 5/8 M16 160 175 4 100 73 173 108 102 6 190.5 8 5/8 M16 170 185 5 125 86 195 132 127 8 216.0 8 3/4 M20 190 205 6 150 98 220 160 152 13 241.5 8 3/4 M20 205 220 8 200 127 277 210 203 25 298.5 8 3/4 M20 240 255 10 250 146 337 266 254 39 362.0 12 7/8 M24 270 285 12 300 181 407 310 305 54 432.0 12 7/8 M24 310 325 14 350 184 448 355 350 80 476.0 12 1 M27 325 340 16 400 191 512 405 400 117 540.0 16 1 M27 340 355 18 450 203 547 455 450 138 578.0 16 1 1 /8 M30 365 380 20 500 219 604 505 500 163 635.0 20 1 1 /8 M30 385 400 24 600 222 715 605 600 331 749.5 20 1 1 /4 M33 405 420 28 700 305 773 700 700 380 795.5 40 3/4 M20 455 - 30 750 305 824 750 746 425 846.0 44 3/4 M20 455 - 32 800 305 878 800 796 560 900.0 48 3/4 M20 460 - 36 900 368 983 910 898 640 1009.5 44 7/8 M24 540 - 42 1050 432 1142 1055 1050 960 1171.5 48 1 M27 625 - 48 1200 524 1302 1205 1200 1400 1335.0 44 1 1 /8 M30 740 - Class 300
PN5.0MPa2 50 60 110 58 51 3 127.0 8 5/8 M16 155 175 2 1 /2 65 67 128 73 65 4 149.0 8 3/4 M20 175 195 3 80 73 147 88 80 6 168.5 8 3/4 M20 190 210 4 100 73 179 108 102 8 200.0 8 3/4 M20 195 215 5 125 86 214 132 127 15 235.0 8 3/4 M20 215 235 6 150 98 249 160 152 18 270.0 12 3/4 M20 230 250 8 200 127 305 210 203 31 330.0 12 7/8 M24 280 300 10 250 146 359 266 254 51 387.5 16 1 M27 315 335 12 300 181 420 310 305 77 451.0 16 1 1 /8 M30 365 385 14 350 222 483 355 350 117 514.5 20 1 1 /8 M30 410 430 16 400 232 537 405 400 190 571.5 20 1 1 /4 M33 435 455 18 450 264 594 455 450 200 628.5 24 1 1 /4 M33 475 535 20 500 292 652 505 500 265 686.0 24 1 1 /4 M33 510 585 24 600 318 772 608 600 410 813.0 24 1 1 /2 M39 560 - 30 750 368 882 740 735 660 921.0 36 1 3 /8 M36 650 - 36 900 483 1044 880 873 1020 1089.0 32 1 5 /8 M42 800 - 42 1050 568 1196 1045 1035 1540 1244.5 36 1 3 /4 M45 920 - 48 1200 629 1365 1190 1179 2260 1416.0 40 1 7 /8 M48 1010 - 相关产品
